技术支持

support
市场监管总局关于特种设备行政许可有关事项的公告
发布时间:2023-08-21阅读次数:222
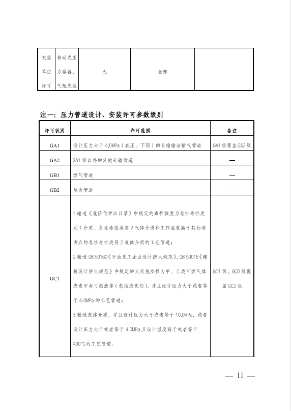
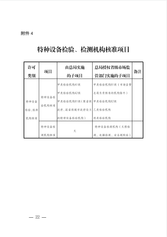
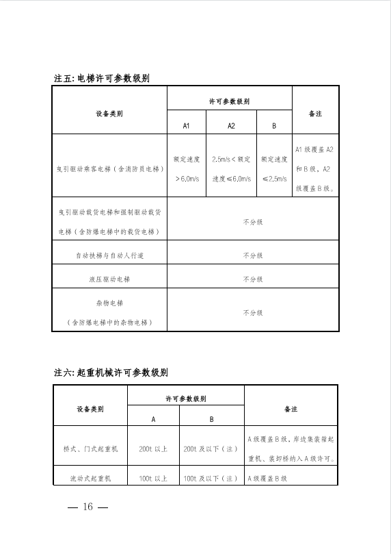
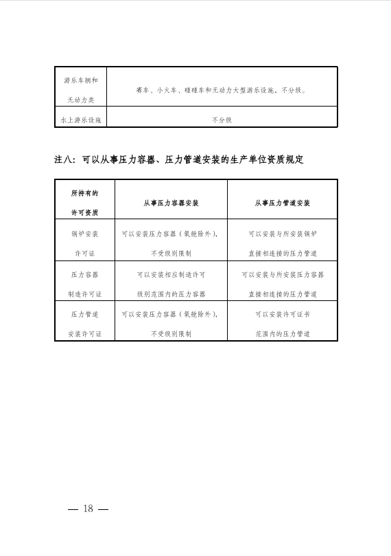
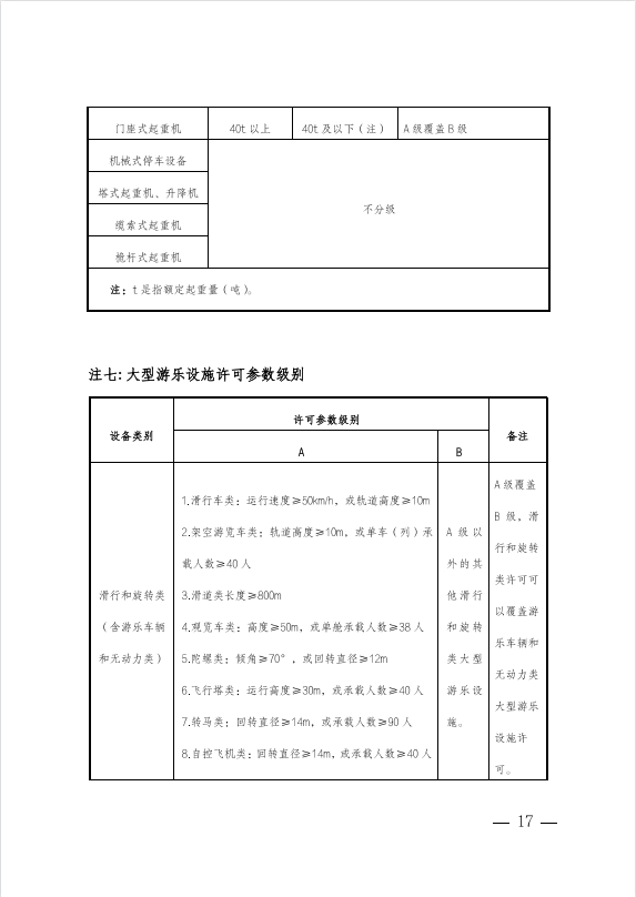
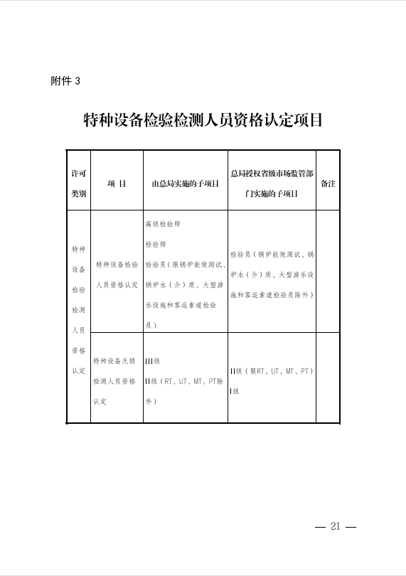
摘要:为深入贯彻落实国务院“放管服”改革要求,加强特种设备安全监管,经广泛征求意见,市场监管总局对《市场监管总局关于特种设备行政许可有关事项的公告》(2019 年第3号)中的《特种设备生产单位许可目录》《特种设备作业人员资格认定分类与项目》《特种设备检验检测人员资格认定项目》进行了修订和调整,同时,新制定了《特种设备检验、检测机构核准项目》,现一并予以公告

f2a0c0d33ed5023726e29e23194af52.png

5aef3b73b0ea1886027508a8e4ed152.png

a187e79a351f7a511886d0a441c5084.png

1a409c0d388feee7d4dd9f61c1b37e8.png

fb4a37d5788f92424da7585baed8947.png

e9be2707bc5c12ba54d50f3bbe3eee9.png

76058980062a45441eac5239e880861.png

1360e048d3d8e7942127eb4c7f942bc.png

11951cd12dc7e5b9935e12a52e837d1.png

a4256332d5d8a0efbff9b6d08993f90.png

56e11731f7afddb6e58ec2179080626.png

b1faee1f1b3cedb675207db5bc9a3e8.png

bcb0c661ccee027dc0fadc55bb415b2.png

afbe9f60b1df5036f34071853f6bcb2.png

2897daf7b85afc6f3751ffab74ed173.png

62086bf34c7352f39b2c8f1fbca9cdf.png

af00366376113f5b15317b0510267b0.png

0d0edf12324d01bcc6b9b08574121af.png

adc29d9d1fe3da14072b37c66b49f0e.png

06ccd8510d813f1b8322f94dedde2da.png

a617db4aaf899bf42fe457fd9594ed0.png


微信扫一扫
关注安徽富日阀门
关 闭
请您留言

感谢您的关注,当前客服人员不在线,请填写一下您的信息,我们会尽快和您联系。

提交